Boost 电路简介及仿真案例
-
2024.07.22
一、Boost 电路简介
1、Boost 电路的定义
Boost电路,又称升压式变换器,是一种开关直流升压电路。它可以提高电源电压,以满足各种应用中对高电压的需求。
2、Boost 电路的结构

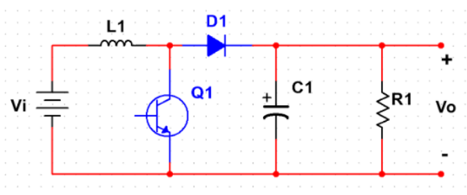
Boost电路主要是由电感、开关、二极管和电容组成。
3、Boost 电路的工作原理
Boost电路的工作原理可以分为两个阶段:充电阶段和放电阶段。
在充电过程中,开关闭合,电流通过电感和开关向电容充电,此时输出电压高于输入电压。

在放电阶段,开关断开,电感产生感应电动势,与电容共同维持输出电压,使得输出电压进一步升高。通过控制开关的通断,即可实现输出电压的调节。

二、Boost 电路的应用场景
Boost电路在许多场景中均有使用,譬如:
1、LED照明:Boost电路可以提供稳定的电压和电流使得LED正常工作。
2、太阳能电池板:Boost电路可以在太阳能电池板的充电控制器中应用,将其产生的直流电压提升到更高的电压,满足电池以及储能设备的需求。
3、汽车电子:Boost电路可以应用在汽车的车载充电器中,将AC电网中的电压提升到更高的电压,满足汽车电子设备对于高电压的需求。
4、电子设备:Boost电路可以将AC电网中的电压提升到更高的电压,再通过DC-DC转换器将其转换为手机或笔记本电脑所需的低压直流电。
三、仿真案例分析
巨霖的 PowerExpert 软件是一款基于图形化交互界面的电源电子系统设计和仿真工具,在该平台上可以搭建Boost电路的仿真案例。

仿真结果:

综上可知,巨霖的 PowerExpert 软件仿真结果可靠正确,可提高工程师的工作效率和交付产品的稳定性。
欢迎点击 软件试用 申请试用我们的软件,过程中的任何疑问可联系support技术人员,期待与您的交流!
文中部分图片来自网络,如有侵权,请联系删除,谢谢!